- sydänmateriaali: ferriitti
- nimellinen induktanssi: 4,7µH
- toleranssi: ±20%
- fL: 0,1MHz
- SRF min: 49MHz
- DCR max: 0,017ohm
- Isat: 6A
|
PISM-4R7M-04
3 kappale kappaletta
Varastossa
Huom: Viimeinen tuote varastossa!
Tulossa:
| Klikkaa tarkemmat tiedot | |
| Valmistaja | Fastron |
| Valmistajan malli | PISM-4R7M-04 |
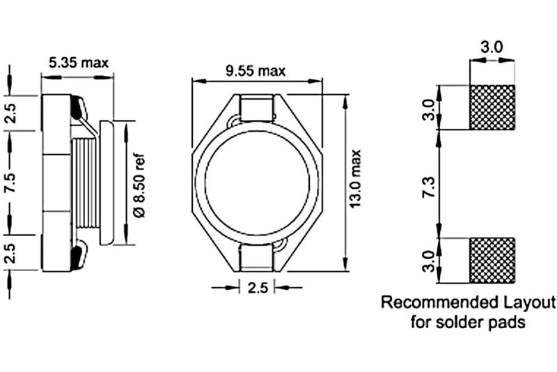
| Mitat | 13 x 9,6 x 5,4 mm |
| Induktanssi | 4,7µH |
| Virtaluokka | 6A |
1,89 €
LOW ESR Elektrolyyttikondensaattori 220µF 35V,...
1,03 €
0,28 €
0,24 €
0,88 €
14,50 €
4,50 €
DARL NPN 80V 4A 40W TO126
0,79 €
0,97 €
0,40 €